• 樱桃视频在线播放,樱桃视频影院在线观看,樱桃成人版视频黄色电影,樱桃视频黄色版APP免费下载

    歡迎來到惠州市樱桃视频在线播放五金製品有限公司官方網站!

    微博 微信 常見問題| 客戶反饋| 網站地圖

    惠州市樱桃视频在线播放五金製品有限公司

    全國服務熱線:137 2371 3423 / 138 2886 6587
    樱桃视频影院在线观看

    產品中心

    全國服務熱線137 2371 3423 / 138 2886 6587

    生產設備采用國內CNC加工中心,鑽攻機,精雕機,激光機,滿足市場多樣化的產品需求! 在線谘詢
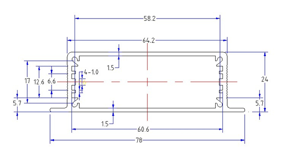
    樱桃视频影院在线观看加工BY-013 規格:78X24
    • 樱桃视频影院在线观看加工BY-013 規格:78X24
    • 2A4A8520.jpg
    • 2A4A8521.jpg

    樱桃视频影院在线观看加工BY-013 規格:78X24

    簡介:樱桃视频影院在线观看是一種以鋁合金為原料製成的各種殼體,目前市場上對於樱桃视频影院在线观看的需求量是相當大的,因為樱桃视频影院在线观看的用途多,使用範圍廣,在很多場所中都需要使用到,如電子行業、機械製造行業、手機行業等。樱桃视频影院在线观看,具有靈活性高,深度能夠恣意切開,通常內部都有電路板卡槽,隻要把電路板直接插入即可,無須再行固定,快捷性是其他品種的外殼無法比擬的。

    7*24小時全國服務熱線 137 2371 3423 / 138 2886 6587

    立即訂購
    • 產品介紹


      樱桃视频影院在线观看是一種以鋁合金為原料製成的各種殼體,目前市場上對於樱桃视频影院在线观看的需求量是相當大的,因為樱桃视频影院在线观看的用途多,使用範圍廣,在很多場所中都需要使用到,如電子行業、機械製造行業、手機行業等。樱桃视频影院在线观看,具有靈活性高,深度能夠恣意切開,通常內部都有電路板卡槽,隻要把電路板直接插入即可,無須再行固定,快捷性是其他品種的外殼無法比擬的。


      使用樱桃视频影院在线观看的好處:


      1、樱桃视频影院在线观看相對於別的金屬材質密度小並且質量輕。


      2、樱桃视频影院在线观看化學性能穩定,無磁性,可以重複回收利用,是一種良性可循環的金屬材料。


      3、采用了熱、冷兩種工藝處理,有很強的耐腐蝕性能。


      4、樱桃视频影院在线观看有良好的鑄造性能,且表麵處理性能良好。


      6、彈性係數小,碰撞摩擦不起火花,在汽車工藝中表現很好。


      7、全球鋁的含量非常高,儲量豐富。


      8、樱桃视频影院在线观看並沒有金屬汙染,沒有毒性,表麵氧化層沒有揮發性金屬。


      9、樱桃视频影院在线观看有很好的延展性能,可以與很多金屬元素製作輕型合金,材質優質。


      10、樱桃视频影院在线观看可塑性強,生產性好,對於生產製作有很好的優勢。

    相關產品

    網站地圖